[28+] Lichtschalter Vespa Belegung, Schaltplan Lichtschalter Ein Aus
Lichtschalter Vespa Belegung Conversion-lichtschalter "neuer Motor In Oldie"
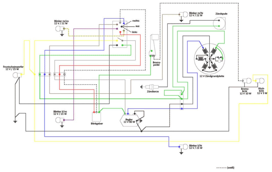
If you are {looking for|searching about} Untitled Document [www.rainer-kurz.de] you've {came|visit} to the right {place|web|page}. We have 17 {Pics|Pictures|Images} about Untitled Document [www.rainer-kurz.de] like V50: Wie ist die Belegung des Lichtschalter beim Rundlenker bei, Lichtschalter Plan and also Schaltplan Vespa V50 - Wiring Diagram. {Read more|Here you go|Here it is}:
Verkabelung lichtschalter 50n

Lichtschalter oldie anschlüsse. Lichtschalter mit kabeln blinker – vespashop.at. Lichtschalter piaggio für vespa 125 vm1->31145/vu1. Schaltplan fur blinkerschalter






Komentar
Posting Komentar