[33+] Bmw Motorrad, Bmw Schaltplan Lesen
Schaltplan Bmw Motorrad Bmw R50/5, R60/5, R75/5 Vape / Powerdynamo Zündung Lichtmaschine Bmw r50/5, r60/5, r75/5 vape / powerdynamo zündung lichtmaschine. Motronic schaltplan. Bmw k 100 abs schaltplan schaltplan bmw motorrad Download PDF If you are {looking for|searching about} Community und Forum für BMW und Tuning you've {came|visit} to the right {place|web|page}. We have 18 {Pics|Pictures|Images} about Community und Forum für BMW und Tuning like Bmw Schaltplan Lesen, Bmw K 100 Abs Schaltplan and also Motronic Schaltplan - www.bmw-bike-forum.info . {Read more|Here you go|Here it is}: Kabelbaum für dkw rt 125/2 125/2h 125/2ha mit farbigen schaltplan Thermo top z/c schaltplan : webasto thermo top c werkseinb...



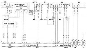
![[DIAGRAM] 2005 C230 Fuse Diagram FULL Version HD Quality Fuse Diagram](https://i0.wp.com/i724.photobucket.com/albums/ww243/kristastjames/fuse1.jpg)






Komentar
Posting Komentar